回首頁
公司簡介
產品介紹
客戶諮詢
型錄下載
聯絡我們
Q&A
原網站的點數還可以使用嗎?
Kiwi100 傳動皮帶做動異常!
傳動箱裡的金屬摩擦聲與馬牌皮帶的適用性
皮帶的種類與應用
VJR 傳動、皮帶問題
產
品列
PRODUCTS
橡膠齒型皮帶
單面圓形皮帶GT
單面圓形齒型皮帶EV系列
單面圓形齒型皮帶HTD
單面圓形齒型皮帶STD
單面方形齒型皮帶CTB
單面圓形齒型皮帶GT2
單面圓形齒型皮帶 PC GT2
雙面方形齒型皮帶CTB
雙面圓形齒型皮帶HTD
特殊齒型皮帶
橡膠open齒型皮帶
PU鋼絲齒型皮帶
PU鋼絲齒型皮帶
PU雙面鋼絲齒型皮帶
PU鋼絲齒型皮帶(不規則齒型)
PU鋼絲輸送齒型皮帶
PU open 鋼絲齒型皮帶
PCGT2
三角皮帶
三角皮帶
鱗片皮帶
多槽皮帶
廣角皮帶(外齒皮帶)
變速皮帶
平皮帶
保力傳動皮帶
輸送帶
SE高速無端皮帶
其他產品
圓帶
鋼絲吊帶
釘扣
齒輪類
齒排、齒輪擋片
皮帶齒輪
免鑑式軸套
各種公式數據、工具
鋼絲齒型皮帶OD尺寸表
公式換算表
音波式電子張力計ME-U508
聯
繫我們
call center
如有問題,歡迎來電諮詢。
04-2350-0908
上班時間 08:30~17:30
產品介紹
PRODUCTS
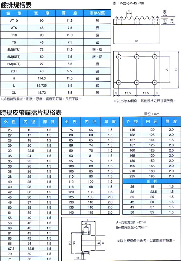
首頁>產品介紹>齒輪類>齒排、齒輪擋片
齒輪檔片,齒排
點我進入規格圖
PDF連結、下載
齒輪檔片,齒排型.pdf